
Mahsulotning batafsil tavsifi
| Afzalligi: | Yuqori tezlik | Yorliqlash tezligi: | 60-200 dona / min |
|---|---|---|---|
| Funktsiya: | Yopishtiruvchi stiker yorlig'i | Material: | Zanglamaydigan po'lat |
| Shishaning turi: | Avtomatik yumaloq shisha etiketkali kavanoz | Ilova: | Dumaloq konteynerning barcha turlari uchun |
| Plc markasi: | MITSUBISHI (Yaponiya) | Servo yorliqli dvigatel: | DELTA, Tayvan) |
qizil sharob etiketlash mashinasi shisha sharob shishasini etiketlash mashinasi, PLC boshqaruv tizimi MITSUBISHI markali markalash mashinasi
Xususiyatlari:
1. Ishlash: PLC boshqaruv tizimi etiketkalash mashinasini ishlashini osonlashtiradi
2. Material: Etiketleme mashinasining asosiy tanasi SUS304 zanglamaydigan po'latdan yasalgan
3. Konfiguratsiya: Bizning yorliqlash mashinalari taniqli yapon, nemis, amerika, koreys yoki tayvan tovar qismlarini qabul qiladi
4. Moslashuvchanlik: Mijoz printer va kod mashinasini qo'shishni tanlashi mumkin; konveyer bilan ulanishni tanlay oladi yoki yo'q.
Texnik parametrlar:
| Ism | Avtomatik dumaloq sharob shishasi yuqori tezlikda qisiladigan dumaloq shishani markalash mashinasi |
| Yorliqlash tezligi | 60-350 dona / min |
| Ob'ektning balandligi | 30-350 mm |
| Ob'ekt qalinligi | 20-120 mm |
| Yorliq balandligi | 5-180 mm |
| Yorliq uzunligi | 25-300 mm |
| Diametr ichidagi yorliqli rulon | 76 mm |
| Diametri tashqarisidagi yorliqli rulo | 420 mm |
| Yorliqning aniqligi | ± 1 mm |
| Quvvatlantirish manbai | 220V 50 / 60HZ 3,5KW |
| Printerdan gaz sarfi | 5Kg / m2 (agar kodlash mashinasini qo'shsangiz) |
| Yorliqlash mashinasining o'lchami | 2800 (L) × 1650 (V) × 1500 (H) mm |
| Yorliqlash mashinasining vazni | 180 kg |
Konfiguratsiya
| Yo'q | Qism | tovar belgisi | miqdor |
| 1 | PLC | MITSUBISHI (Yaponiya) | 1 |
| 2 | Asosiy konvertor | DANFOSS (Daniya) | 1 |
| 4 | HMI | WEINVIEW (Tayvan) | 1 |
| 5 | Servo markalash vositasi | DELTA (Tayvan) | 1 |
| 6 | Servo yorliqli dvigatel haydovchisi | DELTA (Tayvan) | 1 |
| 7 | Konveyer motori | HY (Tayvan) | 1 |
| 8 | Konveyer dvigatel qutisi | HY (Tayvan) | 1 |
| 9 | Shisha motorini ajratish | GPG (Tayvan) | 1 |
| 10 | Shishali dvigatel qutisini ajratish | GPG (Tayvan) | 1 |
| 11 | Dvigatel tezligini boshqaruvchisi | GPG (Tayvan) | 1 |
| 12 | Dvigatelni gapiring | GPG (Tayvan) | 1 |
| 13 | Dvigatel vites qutisi | GPG (Tayvan) | 1 |
| 14 | ob'ektni aniqlash sehrli ko'z | OMRON (Yaponiya) | 1 |
| 15 | optik tolalar | OMRON (Yaponiya) | 1 |
Mashina detali:

32 asosiy markalash mashinasi qismlari

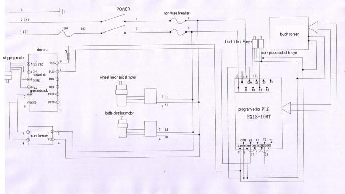
O'chirish diagrammasi

TSS:
1. yorliq pufakchalarni oladi
Sabablari:
Board taxtadan tozalash yaxshi emas / tekis emas;
Low shudgor taxtasi yaxshi emas / tekis emas;
③ yorliq chiqishi juda tez yoki yig'ish liniyasining tezligi juda past;
④ yorliq juda bo'shatilgan
Yechimlar:
Board tekis po'stlog'ini almashtirish;
A tekis shudgor taxtasini almashtirish;
③ etiketkaning chiqish tezligini sekinlashtiring yoki yig'ish liniyasining tezligini oshiring;
The yorliq kamariga to'g'ri ta'sir qiling.
Tag: sanoat markalash mashinasi, shisha butilkalarni markalash mashinasi









